空气弹簧产品是由内外层橡胶、帘线层和钢丝圈,经硫化工艺牢固粘合在一起的橡胶金属复合物,其结构型式主要包括囊式和膜式。
针对空气弹簧的理论研究主要有3 类模型:多物理参数化模型、等效参数化( 或力元) 模型和有限元分析模型,第4 类黑箱模型研究相对较少。实验研究主要测试空气弹簧的垂向或横向静刚度特性、垂向动刚度和阻尼系数的频变特性等,测试结果往往用来验证理论模型的正确性以及进行空气弹簧模型或参数的辨识。理论与实验研究结果用来明确各种材料、结构参数对空气弹簧技术性能的影响,并指导空气弹簧的设计与制造。
1) 多物理参数化模型:多物理参数化模型基于压缩空气的热力学定律和流体力学定律,涉及包含气体压力、体积、密度、多变指数、弹簧作用面积、节流孔尺寸和流量系数,以及各种传热参数在内的整个气动系统的物理参数,涉及空气弹簧本体、附加气室、节流孔、管路等各部件的建模,整个模型具有较强的非线性,早期Quaglia 等[14] 和Docquier 等[15-16] 的工作具有代表性。
空气弹簧带附加气室的目的是进一步降低弹簧刚度,相当于两个空气弹簧通过节流孔串联,理论上对节流孔进行调节,可以获得更为宽的刚度变化范围。Liu[17] 等建立了带附加气室、节流孔的空气弹簧多物理参数化模型,研究了激振频率、节流孔面积和附加气室容积对动刚度的影响,台架试验验证了模型的正确性。
在带附加气室的空气弹簧中,节流孔有一定程度的耗能作用,但这不能是它的主要功用,并且节流孔不能被高频调节,否则动刚度特性将会变差。因此,现代ECAS 在工程应用上,往往对液压减振器进行阻尼连续调节,对空气弹簧采取有级简单调节。事实上,由于空气弹簧本身就具有刚度自适应性,再加上2 到3 级的基点刚度变化,已经足够获得宽广的刚度变化范围了。
在空气弹簧多物理参数化建模、实验验证和参数影响研究领域,同类研究还包括Lee[18]、Zargar[19] 等对汽车空气弹簧和Li 等[20-21]、Gao 等[22] 对列车空气弹簧开展的研究。
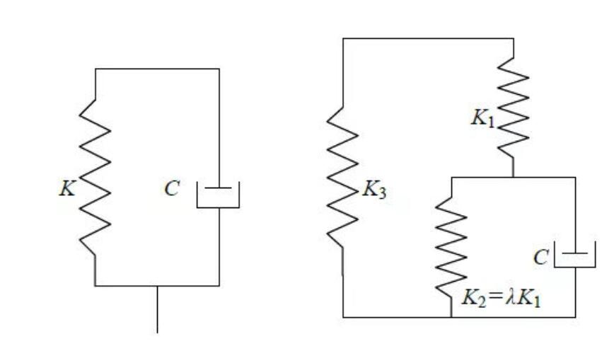
2) 等效参数化模型:该模型采用刚度、阻尼、惯性、摩擦等标准力学单元构建,含有参数较少,物理意义明确,因此更适合用于车辆动力学的仿真研究。
图2 所示是几种常见的空气弹簧等效参数化模型,虽然它们主要用于列车空气弹簧建模,但在很大程度上值得借鉴。图2a 是一种弹簧-阻尼等效模型,将空气弹簧简化为一个线性刚度K 和一个线性阻尼C 的并联。图2b 称为Nishimura 模型[23],模型中K1、K2、K3分别为由于气体压缩产生的刚度、附加气室刚度和有效作用面积变化产生的刚度,λ 是气囊与附加气室的容积比,C 为气体流经节流孔时产生的阻尼系数,C 可以是线性阻尼或者是与速度成二次方[24] 规律的非线性阻尼。图2c 是多体动力学软件Vampire 中空气弹簧的主要模型,K1、K2、K3、C 的意义与图2b 中的一样,K4 是串联橡胶堆的刚度;M 是排气管内的可变空气质量,其受空气弹簧有效作用面积与排气管截面积之比n 的放大作用。图2d 是Berg 三维模型[25] 中的垂向模型,该模型将空气弹簧描述为弹性力元、摩擦力元和阻尼力元的叠加,还包括管路空气流动产生的非线性惯性因素。模型中包含7 个参数:弹性力元的等效刚度Kez,摩擦力元的最大值Ffz-max 和位置参数Z2(参数|图片),阻尼力元的等效刚度Kvz、等效阻尼系数Czβ 和速度指数β,管路空气质量M。


Facchinetti 等[26] 对以上不同空气弹簧模型进行了对比,并研究了采用不同模型进行计算时对车辆动力学的影响,结果表明采用简化的空气弹簧模型,如图2a 所示的弹簧-阻尼等效模型会造成较大误差。
Mazzola 等[23] 和Alonso 等[24] 则采用了实验方法对比,评估了以上模型的精确性,结果表明弹簧-阻尼等效模型和线性Nishimura 模型不适合于研究3 Hz 以上的振动,Vampire 模型和Berg 模型具有较高的预测精确度。
3) 有限元分析模型:空气弹簧有限元(finiteelement analysis, FEA) 分析模型主要基于有限元建模理论、材料力学理论和接触力学理论获得。由于空气弹簧刚度特性跟其结构、材料特性息息相关,因此通过FEA 建模和分析可以获得更为直接的影响参数和灵敏度结果。Lee 等[27] 对某汽车膜式空气弹簧进行了FEA数学建模,建模中考虑了尼龙纤维增强橡胶的正交各向异性、大变形几何非线性以及气囊与钢丝圈的接触特性,基于所建FEA 模型重点研究了帘线层角度对空气弹簧变形和静刚度特性的影响。近些年,许多国内学者也直接运用有限元商业软件开展了一些应用研究[28-29],内容包括分析气压、帘线层角度和层数、附加气室容积等参数对空气弹簧静刚度特性的影响。
从空气弹簧产品角度来看,由于国内橡胶技术起步早且具有较好的工业基础,加上改革开放后巨大的市场推动,到现在中国大陆车用( 汽车、列车) 空气弹簧产品的研发、原材料、制造工艺、试验验证技术已经基本成熟,形成了较完整的产品系列。但从产品的实际应用效果上看,国产空气弹簧还是在耐久性、可靠性方面与国外产品存在差距,国内公司也一直在致力于这些方面的研究、开发和试验工作。


